Passa al contenuto principale
Admin
shop Cerca IL Nostro shop ADMIN

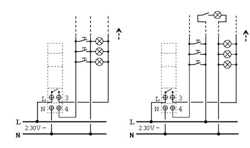
INT.TEMPORIZZATO MONOFUNZIONE

Cod. Materiale: 104098
Cod. Prodotto:
Brand: PERRY
CARATTERISTICHEAlimentazione 230V~ +/- 10%, 50 HzUscita relè 1 contatto NA polarizzato 16A / 250V~Temporizzazione regolabile da 30 secondi a 20 minutiPossibilità di attivare la funzione 'pulizia scale'Sezione dei cavi ai morsetti 1 mm² ÷ 6 mm²Grado di protezione IP20Limiti della temperatura di funzi… Leggi la descrizione completa
Promozioni disponibili: Visualizza tutte

CARATTERISTICHE

Alimentazione 230V~ +/- 10%, 50 Hz

Uscita relè 1 contatto NA polarizzato 16A / 250V~

Temporizzazione regolabile da 30 secondi a 20 minuti

Possibilità di attivare la funzione 'pulizia scale'

Sezione dei cavi ai morsetti 1 mm² ÷ 6 mm²

Grado di protezione IP20

Limiti della temperatura di funzionamento - 10°C ÷ +55°C

Limiti della temperatura di stoccaggio - 20°C ÷ +65°C Installazione barra DIN

Massima corrente assorbita dai pulsanti luminosi 150 mA con protezione di sovraccarico

Normative di riferimento per marcatura LVD/EMC EN60669-2-3 EN60669-2-1

Dimensioni (LxPxH) 17.5 x 60 x 90 mm

tipo di montaggio Guida DIN
funzione Other
profondità di incasso (mm) 60
tipo di circuito Circuito a 3 e 4 conduttori
preavviso di spegnimento Senza
tipo di tensione di alimentazione AC
tensione di alimentazione (V) 230
tensione di commutazione nominale (A) 16
numero di contatti di chiusura 1
Quantità
Quantità cartone 30
Famiglia
Famiglia Di Sconto Codice PERRY2025
Famiglia Di Sconto Descrizione LISTINO VENDITA
Famiglia Statistica Codice 02
Famiglia Statistica Descrizione INTERRUTTORI TEMPORIZZATI
Codici
Codice produttore 1IT1062
EAN Code 8019108020058
Codice Metel PER1IT1062
UDM PCE
Gestione
Stato Prodotto GESTITO A MAGAZZINO

I nostri prodotti

Prossimamente